project date:

10. Dec.2025

project duration:

2 Days

category:

Structural

client / company:

PR Construction

project location:

chennai

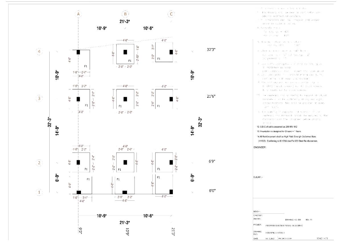
Project information

We deliver reliable and efficient structural design solutions across a wide range of projects, including residential, commercial, and industrial developments. Our work reflects a commitment to safety, precision, and innovation—ensuring every structure is built to last and perform under real-world conditions.

Design highlights

Multi-Sector Project Experience
Code-Compliant Design (UAE & International)
Advanced Engineering Tools (ETABS | SAFE | BIM)
Cost-Optimized Structural Solutions
Designed for Durability & Performance